首頁
關于我們
公司簡介
企業文化
新聞中心
公司動態
行業新聞
產品中心
超聲波淬火硬化層深度測量儀
布氏硬度計
維氏硬度計
顯微硬度計
洛氏硬度計
布洛維硬度計系列
里氏硬度計
超聲波探傷儀
涂層測厚儀
粗糙度儀
超聲波測厚儀
磁粉探傷儀
倒置金相顯微鏡
現場金相顯微鏡
超聲波硬度計
防腐蝕層電火花檢漏儀
X射線探傷儀
鋼絲繩探傷儀
日立243涂層測厚緊固件專用
邵氏硬度計
其他
自動化超聲波探傷系統
軼諾硬度計
進口測厚儀
臺式硬度計
金相試樣切割機
金相試樣鑲嵌機
金相試樣磨拋機
金相設備
現場快速硬度計
端淬硬度計
塞恩普司分析儀器
行業分類
汽摩及零部件
特種設備
環保與土壤修復
考古和地礦
電力行業
軌道交通
石油與化工
貴金屬
建筑與橋梁
鑄造行業
電鍍與噴涂
質檢
工具與模具
造船行業
高校科研與理化實驗室
工程案例
硬度計案例
探傷儀案例
粗糙度儀案例
涂鍍層測厚儀案例
超聲波測厚儀案例
經典案例
光譜儀案例
現場快速硬度計案例
端淬硬度計案例
淬火硬化層深度測量儀案例
顯微鏡使用案例
技術文章
下載中心
聯系我們
聯系我們
導航
首頁
關于我們
公司簡介
企業文化
新聞中心
公司動態
行業新聞
產品中心
超聲波淬火硬化層深度測量儀
布氏硬度計
維氏硬度計
顯微硬度計
洛氏硬度計
布洛維硬度計系列
里氏硬度計
超聲波探傷儀
涂層測厚儀
粗糙度儀
超聲波測厚儀
磁粉探傷儀
倒置金相顯微鏡
現場金相顯微鏡
超聲波硬度計
防腐蝕層電火花檢漏儀
X射線探傷儀
鋼絲繩探傷儀
日立243涂層測厚緊固件專用
邵氏硬度計
其他
自動化超聲波探傷系統
軼諾硬度計
進口測厚儀
臺式硬度計
金相試樣切割機
金相試樣鑲嵌機
金相試樣磨拋機
金相設備
現場快速硬度計
端淬硬度計
塞恩普司分析儀器
銷售網絡
汽摩及零部件
特種設備
環保與土壤修復
考古和地礦
電力行業
軌道交通
石油與化工
貴金屬
建筑與橋梁
鑄造行業
電鍍與噴涂
質檢
工具與模具
造船行業
高校科研與理化實驗室
工程案例
硬度計案例
探傷儀案例
粗糙度儀案例
涂鍍層測厚儀案例
超聲波測厚儀案例
經典案例
光譜儀案例
現場快速硬度計案例
端淬硬度計案例
淬火硬化層深度測量儀案例
顯微鏡使用案例
專業技術文章
下載中心
聯系我們
聯系我們
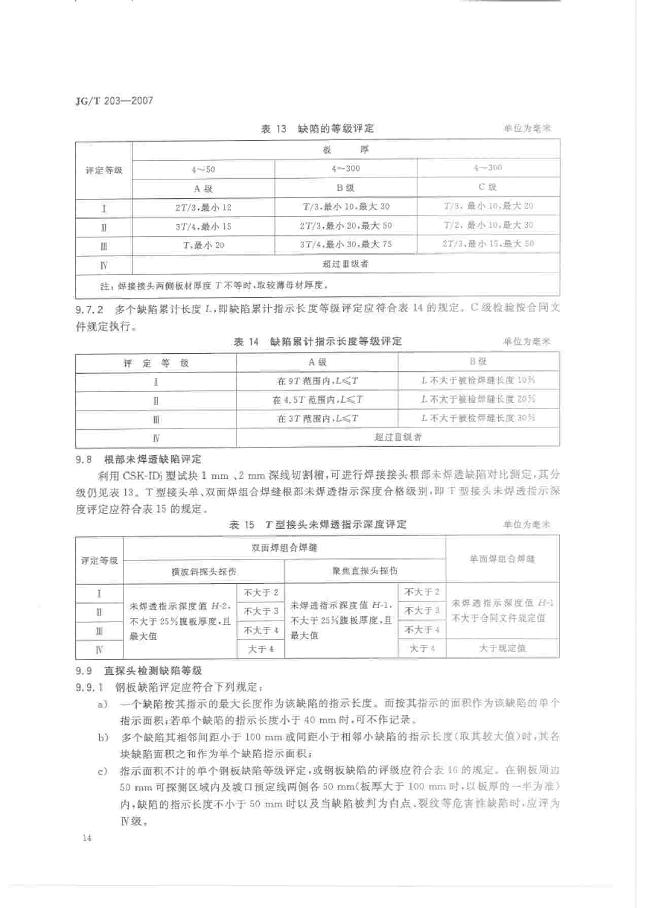
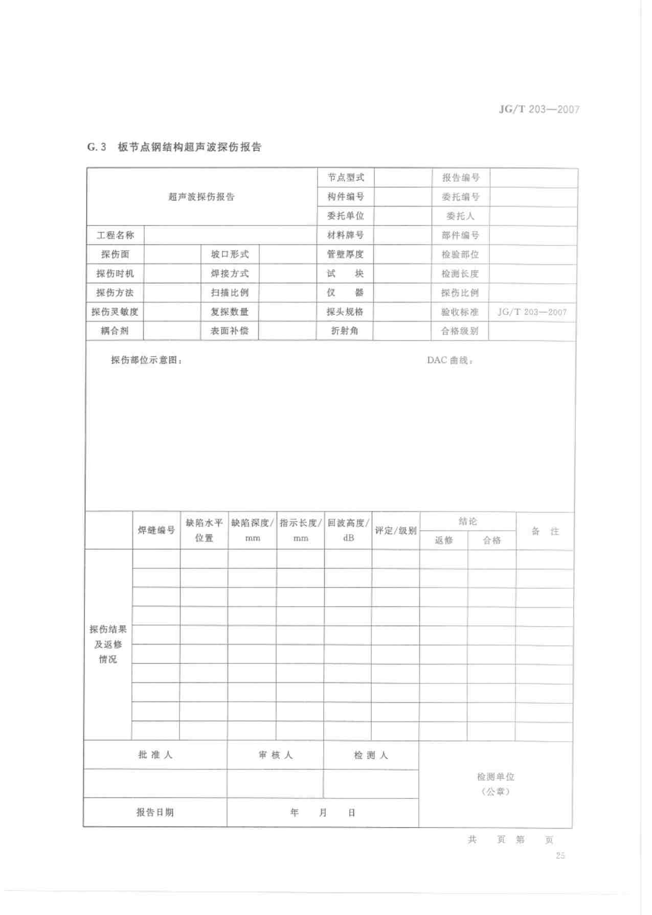
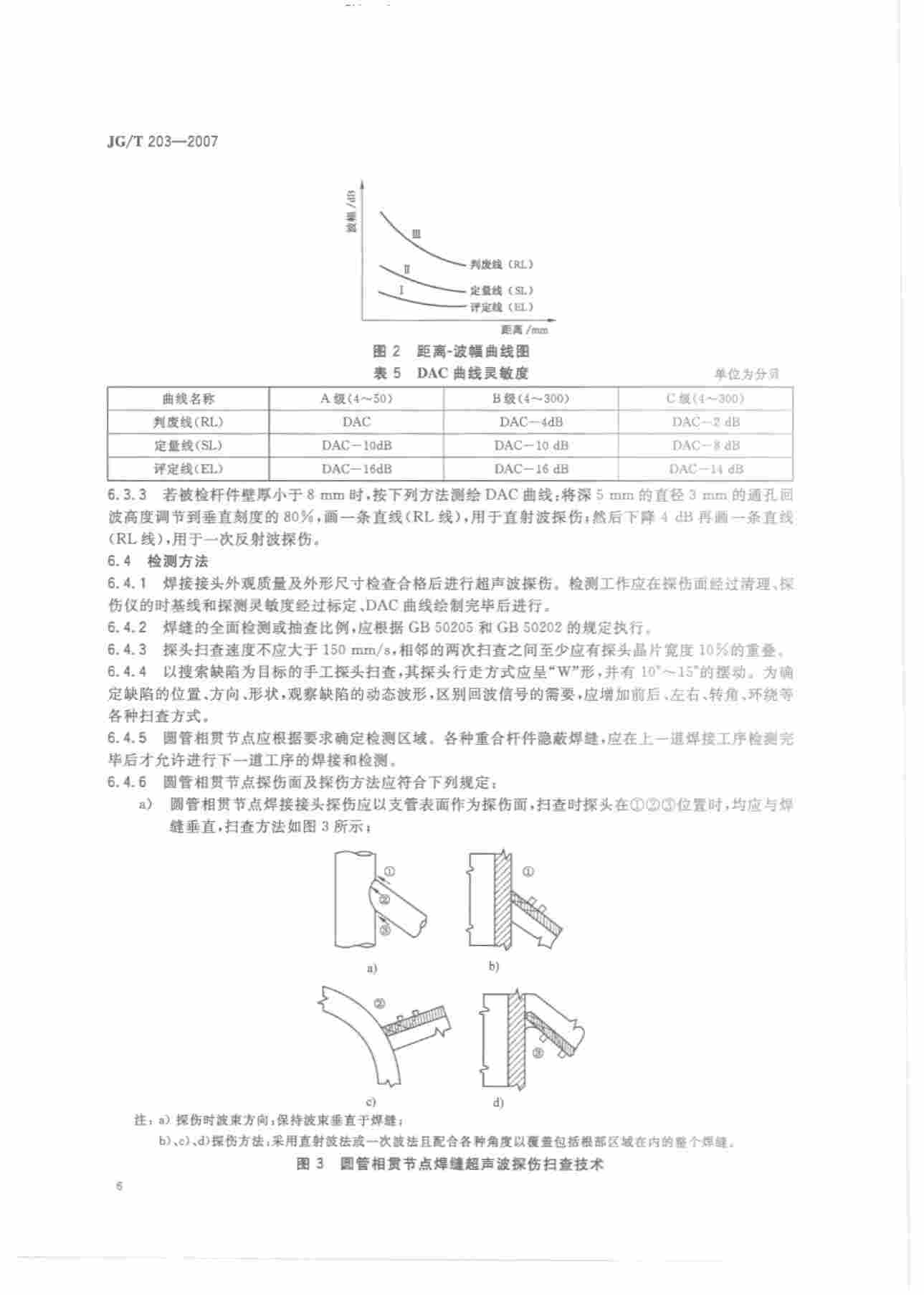
附錄d:JGT203-2007 鋼結構超聲波探傷及質量分級法
發布時間:
2024/2/20
分享到:
Copyright © 重慶里博儀器有限公司 版權所有 備案號:
渝ICP備16013070號-3
渝公網安備 50010902001682號
里博地圖
加盟咨詢
價格咨詢
關閉